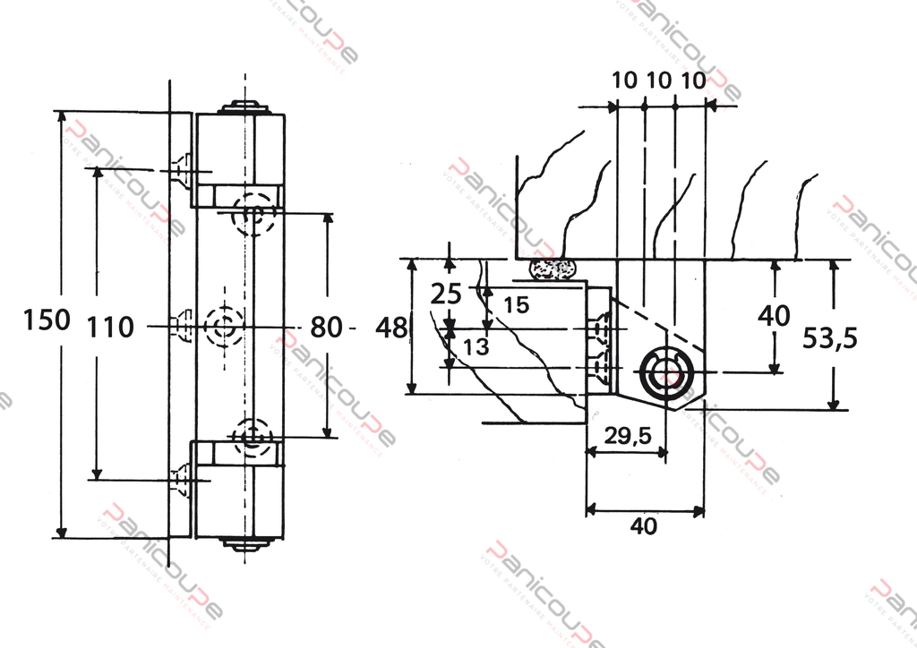
Verchromte Oberfläche. Höhe 150 mm. Für Türen von 48 bis 79 mm Stärke. Unsichtbare Befestigung an der Kante. Links- oder rechtsseitig montierbares Rampenmodell. Modell ohne Rampen links- oder rechtsseitig montierbar
FER362D Rechtes Modell 362 mit Rampen
FER362G Linkes Modell 362 mit Rampen
FER363 Modell 363 ohne Rampen






